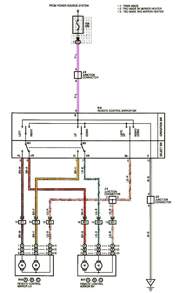
Schéma de câblage des rétroviseurs électriques GM

Le système de réglage des rétroviseurs dans les véhicules GM repose sur un réseau complexe de connexions électriques. Pour assurer leur bon fonctionnement, il est essentiel de comprendre le câblage et les composants qui le composent. Un mauvais branchement peut entraîner des dysfonctionnements ou des pannes, affectant ainsi la sécurité et le confort du conducteur.
Ce guide fournit les informations nécessaires pour bien identifier les différentes connexions et faciliter l’installation ou la réparation de ces systèmes. Que vous soyez un mécanicien expérimenté ou un bricoleur passionné, il est crucial de connaître les principes de base du montage afin d’éviter des erreurs coûteuses.
Les rétroviseurs réglables électriquement sont de plus en plus courants dans les véhicules modernes. Grâce à un système intégré, ils permettent un ajustement facile et précis, ce qui améliore la visibilité et la sécurité. Cependant, pour garantir leur bon fonctionnement, chaque composant doit être correctement câblé et raccordé.
Comprendre le schéma de câblage GM
Le système de réglage des rétroviseurs électriques dans les véhicules GM repose sur un ensemble de connexions internes qui permettent le contrôle à distance. Ces systèmes sont conçus pour offrir une flexibilité maximale et assurer un ajustement précis des rétroviseurs, mais une mauvaise compréhension des connexions peut entraîner des dysfonctionnements. Il est donc important de connaître les différents éléments impliqués et de comprendre comment ils interagissent pour éviter tout problème technique.
Les composants essentiels du système
Le système de réglage inclut plusieurs composants clés qui sont reliés entre eux par un réseau de fils. Parmi les éléments les plus importants, on trouve les moteurs électriques, les interrupteurs de commande, ainsi que les capteurs permettant de détecter la position des rétroviseurs. Ces pièces travaillent ensemble pour permettre un ajustement fluide et rapide. Un câblage erroné ou déconnecté peut perturber l’ensemble du système, rendant l’ajustement impossible ou imprécis.
Les étapes de connexion et d’installation
Lorsque vous effectuez l’installation ou la réparation du système de réglage, chaque connexion doit être soigneusement vérifiée. Chaque fil a une fonction précise et doit être raccordé au bon endroit. Une compréhension claire des schémas électriques vous permet de repérer facilement les erreurs de câblage et d’assurer une connexion correcte. L’utilisation d’un guide détaillé ou d’un schéma précis est essentielle pour garantir un montage optimal, sans risquer de court-circuit ou de panne électrique.
Un bon câblage garantit non seulement le bon fonctionnement du système, mais contribue également à la longévité de l’ensemble du mécanisme. Prendre le temps de comprendre la structure de ces connexions vous permettra d’éviter des problèmes récurrents et de prolonger la durée de vie du véhicule.
Installation d’un rétroviseur électrique GM
L’installation d’un système de réglage électrique des rétroviseurs dans un véhicule GM nécessite une approche minutieuse et un respect des étapes techniques précises. Ce processus implique la mise en place de divers composants électroniques et mécaniques pour permettre un contrôle optimal de la position des rétroviseurs. Un montage incorrect peut entraîner des pannes, une mauvaise fonctionnalité ou même endommager les circuits internes du véhicule.
La première étape de l’installation consiste à préparer les éléments nécessaires : les moteurs, les interrupteurs de commande, les fils de connexion et les supports. Chaque pièce doit être choisie en fonction du modèle du véhicule et des spécifications techniques du fabricant. Il est crucial de bien comprendre le rôle de chaque composant pour éviter toute confusion lors du montage.
Vérification des connexions électriques
Avant d’effectuer toute connexion, il est important de vérifier que tous les câbles et les connecteurs sont en bon état. L’isolement des fils doit être intact pour éviter tout risque de court-circuit. Lors de l’installation, chaque connexion doit être réalisée en suivant le schéma spécifique à chaque modèle de véhicule. Une fois les fils correctement raccordés, il est recommandé de tester les réglages manuels et électriques pour s’assurer du bon fonctionnement du système.
Fixation et ajustement final

Une fois la partie électrique installée, il reste à fixer les rétroviseurs sur le véhicule. Il faut s’assurer que les supports sont solidement fixés et que les moteurs répondent aux commandes. Un ajustement précis des rétroviseurs est nécessaire pour garantir une visibilité optimale et éviter toute distraction pendant la conduite. Après l’installation, un contrôle final des réglages et des fonctionnalités est indispensable pour valider la qualité du montage.
Suivre ces étapes avec soin garantit non seulement la sécurité du conducteur, mais assure également une durabilité maximale des composants installés. Un entretien régulier et des vérifications périodiques permettront de maintenir le système en parfait état de fonctionnement pendant de nombreuses années.
Résolution des problèmes de câblage GM

Les dysfonctionnements du système de réglage des rétroviseurs électriques dans les véhicules GM peuvent souvent être liés à des problèmes de connexions internes ou à des pannes dans les composants électroniques. Lorsqu’un rétroviseur ne répond pas correctement aux commandes ou reste bloqué, il est essentiel de diagnostiquer et résoudre ces pannes rapidement pour éviter d’endommager d’autres systèmes du véhicule. La plupart des problèmes peuvent être corrigés en identifiant la source exacte du dysfonctionnement et en effectuant les réparations nécessaires.
La première étape pour résoudre un problème est de vérifier minutieusement l’ensemble du câblage. Assurez-vous que tous les fils sont correctement branchés et qu’il n’y a pas de connexions lâches ou endommagées. Un câble coupé ou mal isolé peut interrompre le bon fonctionnement du mécanisme, ce qui empêche le système de répondre comme prévu. Parfois, un simple remplacement d’un câble défectueux suffit pour restaurer les fonctions normales.
Contrôle des interrupteurs et des moteurs
Si les connexions semblent intactes, il convient de vérifier les interrupteurs et les moteurs qui contrôlent les ajustements. Parfois, un mauvais contact dans les boutons de commande peut empêcher le système de s’activer. De même, un moteur en panne peut ne pas transmettre correctement les signaux nécessaires pour le mouvement des rétroviseurs. Un test de continuité à l’aide d’un multimètre permet de déterminer si les composants électriques sont fonctionnels ou si un remplacement est nécessaire.
Vérification du fusible et des capteurs
Les problèmes peuvent également provenir d’un fusible grillé ou d’un capteur défectueux. Dans ce cas, il est essentiel de vérifier les fusibles associés au système électrique. Un fusible en bon état assure une alimentation continue et protège contre les courts-circuits. De plus, les capteurs qui déterminent la position des rétroviseurs doivent être inspectés pour s’assurer qu’ils communiquent correctement avec les autres composants électroniques du véhicule.
En suivant une approche systématique pour identifier et résoudre les problèmes de connexions électriques, vous pouvez restaurer rapidement le bon fonctionnement du système. Ces vérifications régulières permettent de maintenir la performance des rétroviseurs et d’éviter des réparations plus coûteuses à long terme.